Home > Hubbell Lighting > Kim Lighting 6360/SP/100HPS208 Cool-Lens Well Light, Spot Optic, 100W, High Pressure Sodium, 208V, Cast Bronze Natural Finish

description
Lamp Housing: Die-cast brass lamp housing with porcelain
medium base socket, 4KV pulse rated. Convex tempered clear
glass lens.
Reflector: Spun specular Alzak® aluminum. Available in
spot or narrow flood beam spreads. Easily removed for PAR lamps if desired.
Gasketing: Silicone gaskets used throughout.
Fixture Cord: 6' long #16-3 with 200°C silicone wire insulation
protected by a 200°C teflon insulated jacket; water resistant cord approved for outdoor use. Prewired to fixture through silicone
grommet.
Support Brackets: Cast bronze fixture support ring with
stainless steel support brackets and hardware.
Well: 12-3/4" diameter (.406" wall) x 20" depth burial PVC pipe.
Lens frame adapter constructed from high temperature, SMC
compression molded, fiberglass impregnated, heavy wall
composite.
Charcoal gray.
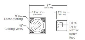
Lens Frame: One-piece, cast bronze, natural finish. Four
captive 5/16" blackened stainless steel hex-socket cap screws. 3/8" wide Integral cooling vents on each corner meet ADA
requirements.
Primary Lens:Tempered clear glass lens 9" dia. x 5/16" thick, flush with lens frame, slightly crowned.
Optional Low-Temperature Secondary Lens: Constructed of borosilicate glass with a hard, first surface dichroic coating.
Reflects infrared (heat) away from the exposed primary lens, but transmits visible rays through. (See page 5 - Lens Temperature Chart).
Optional Slip-Resistant Primary Lens: Tempered clear glass lens with four 1/2" wide concentric etched rings, flush with lens frame, slightly crowned.
Ballast: High power factor -20°F starting, mounted on tray, 120 volt thru 347 volt standard.
Ballast Box: High temperature, SMC compression molded featuring long-fiber fiberglass impregnated heavy wall construction. Wall separates ballast chamber from splice compartment, splice area 32 cu in.; prewired, anti-siphon plugs to and from ballast chamber. Conduit entry, two 3/4" NPT for through wiring, one 1/2" NPT for fixture supply.
Ballast Cover: Cast bronze, natural finish. Four captive, blackened stainless steel hex-socket cap screws.
Share your knowledge of this product. Be the first to write a review »
Browse for more products in the same category as this item:
Download PDF Specification