Home > RAB Lighting > RAB PLED2X13YW/UP 2x13W LED Pendant Uplight, 3000K Color Temperature (Warm), White Finish

description
Description
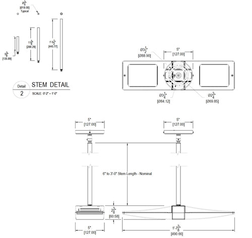
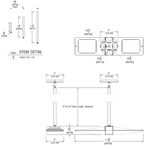
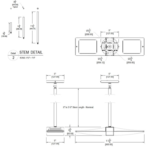
The PLED is a high performance LED uplight. Pendant mount with hang-straight and 6", 12" and 18" stems included. Stems can be combined up to 36" max length.
Features and Benefits
- Die cast aluminum lens frame with tempered glass and double gasketing
- Fully Shielded, Full Cutoff Optics
- LED Light Engine life delivers 70% of rated lumens at 100,000 hours
-
UL Listing:
Suitable for damp locations. -
IESNA LM-79 & IESNA LM-80 Testing:
RAB LED luminaires have been tested by an independent laboratory in accordance with IESNA LM-79 and 80, and have received the Department of Energy "Lighting Facts" label.
-
Lifespan:
100,000-hour LED lifespan based on IES LM-80 results and TM-21 calculations. -
Color Consistency:
7-step MacAdam Ellipse binning to achieve consistent fixture-to-fixture color. -
Color Stability:
LED color temperature is warrantied to shift no more than 200K in CCT over a 5 year period. -
Color Uniformity:
RAB's range of CCT (Correlated color temperature) follows the guidelines of the American National Standard for Specifications for the Chromaticity of Solid State Lighting (SSL) Products, ANSI C78.377-2008. -
Color Temperature (Nominal CCT):
3000K -
Color Accuracy:
86 CRI
-
Mounting:
3 mounting stems included. 6", 12" and 18" can be combined to achieve a maximum length of 36". 42" of wire supplied. The pendants thread into a hang-straight, leveling the fixture. Pendant outside diameter is 3/4". Threads are 1/4". Circular canopy included. -
Thermal Management:
Cast aluminum Thermal Management system for optimal heat sinking. Designed for cool operation, most efficient output and maximum LED life by minimizing LED junction temperature. -
Housing:
Precision die cast aluminum housing and lens framing. -
Finish:
Our environmentally friendly polyester powder coatings are formulated for high-durability and long-lasting color, and contains no VOC or toxic heavy metals. -
Green Technology:
RAB LEDs are Mercury and UV free. -
Cold Weather Starting:
The minimum starting temperature is -40°F/-40°C. -
Ambient Temperature:
Suitable for use in 40°C (104°F) ambient temperatures.
-
Driver:
Multi-chip 2x13W high output long life LED Driver Constant Current, Class 2 100V - 277V, 50/60 Hz. -
Surge Protection:
4KV
-
Lumen Maintenance:
The LED will deliver 70% of its initial lumens at 100,000 hours of operation. -
Fixture Efficacy:
31 Lumens per Watt
-
Patents:
The design of the PLED is protected by U.S. Pat. D608,040, D615,689 and patents pending in Canada, China and Taiwan. -
Warranty:
RAB warrants that our LED products will be free from defects in materials and workmanship for a period of five (5) years from the date of delivery to the end user, including coverage of light output, color stability, driver performance and fixture finish. -
Equivalency:
The PLED2X13 is Equivalent in delivered lumens to a 42W CFL or 70W Metal Halide Pendant. -
HID Replacement Range:
The PLED2X13 can be used to replace 70-100W Metal Halide Pendants based on delivered lumens. -
Country of Origin:
Designed by RAB in New Jersey and assembled in the USA by RAB's IBEW Local 3 workers. -
Buy American Act Compliant:
This product is a COTS item manufactured in the United States, and is compliant with the Buy American Act. -
Recovery Act (ARRA) Compliant:
This product complies with the 52.225-21 "Required Use of American Iron, Steel, and Manufactured Goods-- Buy American Act-- Construction Materials (October 2010). -
Trade Agreements Act Compliant:
This product is a COTS item manufactured in the United States, and is compliant with the Trade Agreements Act. -
GSA Schedule:
Suitable in accordance with FAR Subpart 25.4.
Share your knowledge of this product. Be the first to write a review »
Browse for more products in the same category as this item:
Download PDF specification